Текущее местоположение:Главная > Продукт > Исполнительный механизм для чистых помещений > Серия RMD > РМД17 > Прямое соединение 
Повторяемость: ±0,01 мм
Горизонтальная нагрузка: 120 кг
Вертикальная нагрузка: 50 кг
Максимальная скорость: 2000 мм/с
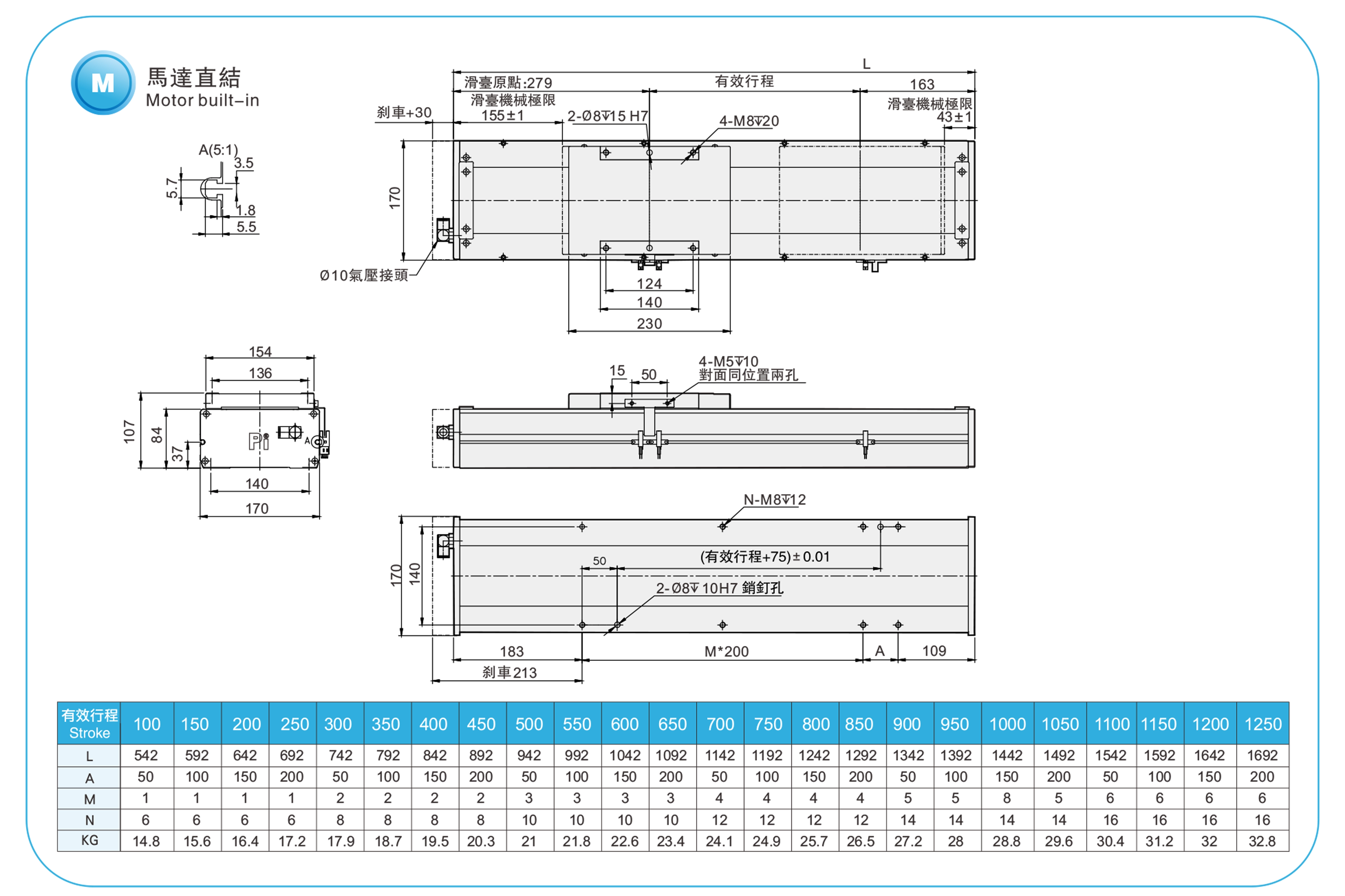
Шаг спирали: 100-1250 мм
Установите время разгона и замедления двигателя на 0,2 секунды.
Стандартные технические характеристики не применимы к использованию перевернутых кранов. Если у вас есть какие-либо особые требования, пожалуйста, свяжитесь с нами по телефону или оставьте сообщение онлайн.
Срок доставки: 7-10 дней






| Спецификация | Повторяемость (мм) | ±0,01 | ||||
| Шаг шарикового винта (мм) | 5 | 10 | 20 | 40 | ||
| Максимальная скорость (мм/с) | 250 | 500 | 1000 | 2000 | ||
| Максимальная полезная нагрузка | Горизонтальный (кг) | 120 | 110 | 75 | 22 | |
| Вертикальный (кг) | 40 | 30 | 14 | 7 | ||
| Номинальная тяга (Н) | 1388 | 694 | 347 | 174 | ||
| Шаг спирали (мм) | Шаг 100-1250 мм/50 мм | |||||
| Детали | Мощность серводвигателя переменного тока (Вт) | 400 Вт | ||||
| Диаметр шарикового винта (мм) | C7Ø20 | |||||
| Высокопрочная линейная направляющая (мм) | W20XH15 | |||||
| Соединительная муфта (мм) | 12х14 | |||||
| Домашний датчик | Снаружи | EE-SX672(NPN) | ||||
| Встроенный | EE-SX674(NPN) | |||||


| Горизонтальная установка | А | Б | С | |
| Lead5 | 70 кг | 3235 | 349 | 408 |
| 90 кг | 2482 | 263 | 306 | |
| 120 кг | 1850 | 187 | 217 | |
| Lead10 | 65 кг | 1911 | 338 | 373 |
| 85 кг | 1445 | 248 | 276 | |
| 110 кг | 1102 | 182 | 202 | |
| Lead20 | 35 кг | 1666 | 547 | 538 |
| 55 кг | 1030 | 331 | 328 | |
| 75 кг | 733 | 231 | 230 | |
| Lead40 | 15 кг | 1126 | 740 | 577 |
| 22 кг | 755 | 490 | 384 | |
| - | - | - | - | |

| Монтаж на стену | А | Б | С | |
| Lead5 | 75 кг | 377 | 322 | 2988 |
| 95 кг | 288 | 246 | 2333 | |
| 120 кг | 218 | 187 | 1850 | |
| Lead10 | 60 кг | 408 | 368 | 2092 |
| 80 кг | 296 | 266 | 1554 | |
| 110 кг | 202 | 182 | 1102 | |
| Lead20 | 30 кг | 633 | 644 | 1961 |
| 50 кг | 365 | 369 | 1143 | |
| 75 кг | 230 | 231 | 733 | |
| Lead40 | 12 кг | 729 | 936 | 1417 |
| 22 кг | 384 | 491 | 755 | |
| - | - | - | - | |

| Вертикальная установка | А | С | |
| Lead5 | 20 кг | 1368 | 1368 |
| 30 кг | 911 | 911 | |
| 40 кг | 683 | 683 | |
| Lead10 | 15 кг | 1618 | 618 |
| 25 кг | 970 | 970 | |
| 30 кг | 808 | 808 | |
| Lead20 | 10 кг | 1922 | 1922 |
| 14 кг | 1377 | 1377 | |
| - | - | - | |
| Lead40 | 4 кг | 2377 | 2377 |
| 7 кг | 1356 | 1356 | |
| - | - | - | |

| МОЙ | 1032 |
| МП | 1034 |
| МИСТЕР | 908 |
| Использовать там, где | Режим движения | Технические характеристики модели | Выход двигателя (в) | Ширина (мм) | Повторяемость (мм) | Технические характеристики шарикового винта | Максимальная полезная нагрузка (кг) | Максимальная скорость (мм/с) *1 | ||
|---|---|---|---|---|---|---|---|---|---|---|
| Внешний диаметр (мм) | Свинец (мм) | Горизонтальный | Вертикальный | |||||||
| Стандартная среда | Шариковый винт | РМД12 | 100 Вт | 102 | ±0,01 | 16 | 5 | 50 | 12 | 250 |
| 10 | 30 | 8 | 500 | |||||||
| 20 | 18 | 3 | 1000 | |||||||
| 32 | 5 | - | 1600 | |||||||
| 200 Вт | 102 | ±0,01 | 16 | 5 | 50 | 12 | 250 | |||
| 10 | 30 | 8 | 500 | |||||||
| 20 | 18 | 3 | 1000 | |||||||
| 32 | 5 | - | 1600 | |||||||
| РМД14 | 200 Вт | 135 | ±0,01 | 16 | 5 | 95 | 27 | 250 | ||
| 10 | 75 | 18 | 500 | |||||||
| 20 | 35 | 7 | 1000 | |||||||
| 32 | 15 | - | 1600 | |||||||
| 400 Вт | 135 | ±0,01 | 16 | 5 | 110 | 33 | 250 | |||
| 10 | 88 | 22 | 500 | |||||||
| 20 | 40 | 10 | 1000 | |||||||
| 32 | 30 | 8 | 1600 | |||||||
| РМД17 | 400 Вт | 170 | ±0,01 | 20 | 5 | 120 | 40 | 250 | ||
| 10 | 110 | 30 | 500 | |||||||
| 20 | 75 | 14 | 1000 | |||||||
| 40 | 22 | 7 | 2000 | |||||||
| 750 Вт | 170 | ±0,01 | 20 | 5 | 120 | 50 | 250 | |||
| 10 | 120 | 40 | 500 | |||||||
| 20 | 83 | 25 | 1000 | |||||||
| 40 | 43 | 12 | 2000 | |||||||
| РМД22 | 750 Вт | 220 | ±0,01 | 25 | 5 | 150 | 55 | 250 | ||
| 10 | 150 | 45 | 500 | |||||||
| 25 | 105 | 20 | 1250 | |||||||
| 20 | 40 | 43 | 12 | 2000 | ||||||
| РМД28 | 1500 Вт | 280 | ±0,01 | 32 | 10 | 320 | 150 | 500 | ||
| 20 | 180 | 75 | 1000 | |||||||
| 32 | 75 | 35 | 1600 | |||||||
* Максимальная скорость определяется максимальной частотой вращения сервомотора (3000 об/мин). Максимальная скорость определяется максимальной частотой вращения шагового двигателя (500 об/мин).






